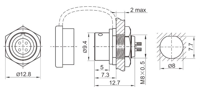
Роз'єм Weipu SF812/P2 - панельна вилка на 2 контакти, призначена для роботи з напругою 125В та струмовим навантаженням до 5А, має посадковий діаметр 8 мм.
Відповідна частина до цього роз'єму - кабельна розетка SF810/S2
Роз'єми Weipu SF – це серія мініатюрних роз'ємів із швидкознімною системою фіксації Push-Pull, призначених для надійного з'єднання електричних ланцюгів у різних промислових, медичних, телекомунікаційних та інших застосуваннях.
Швидкознімна система фіксації Push-Pull – забезпечує швидке підключення та відключення роз'єму за рахунок поворотної системи фіксації, підвищуючи зручність роботи.
Контакти під пайку - забезпечують надійне електричне з'єднання та простоту монтажу.
Компактний розмір – ідеальний для пристроїв, де важливо мінімізувати габарити з'єднань.
Металевий корпус – латунь із хромовим покриттям захищає контакти від механічних пошкоджень та електромагнітних перешкод.
Ступінь захисту IP67 – деякі моделі мають захист від пилу та вологи, що робить їх придатними для роботи у складних умовах.
Різні варіанти монтажу – роз'єми доступні у виконаннях для панелі та кабелю.
Застосування роз'ємів Weipu SF:
- Промислове обладнання – керування верстатами, датчики, блоки живлення.
- Медична техніка – підключення приладів та модулів.
- Телекомунікації - обладнання зв'язку та передачі даних.
- Автоматика та робототехніка – промислові контролери, системи управління.
- Аудіо та відео техніка – професійне звукове та відеообладнання.
| Характеристики роз'єма SF8 | |||||
| Кількість контактів | 2 | 3 | 4 | 6 | 8 |
| Діаметр контактів, мм | 1 | 1 | 0.6 | 0.6 | 0.6 |
| Номінальний струм | 5 | 5 | 3 | 3 | 3 |
| Робоча напруга | 125 | 125 | 30 | 30 | 30 |
| Імпульсна напруга | 1000 | 1000 | 500 | 500 | 500 |
| Опір контактів | 5 mΩ | 5 mΩ | 10 mΩ | 10 mΩ | 10 mΩ |
| Опір ізоляції | 2000 mΩ | 2000 mΩ | 2000 mΩ | 2000 mΩ | 2000 mΩ |
| Специфікація кабелю (мм/AWG) | ≤ 0.75/18 | ≤ 0.75/18 | ≤ 0.5/20 | ≤ 0.5/20 | ≤ 0.5/20 |
| Температура роботи | -40℃ ~ +85℃ | ||||
| Вібрація | Частота: 5-200Гц, амплітуда - 5мм, швидкість 10 м/с | ||||
| Рівень вогнестійкості | UL94-V0 | ||||
| Ступінь захисту | IP67 | ||||
| Схема та розмір роз'єму SF8128-12 |
|





