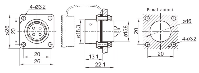
Роз'єм Weipu SA1613/P2 – панельна вилка на 2 контакта, з кріпленням до панелі на 4 гвинта. Призначена для роботи з напругою 500 В та струмовим навантаженням до 10 А, має посадковий діаметр 16 мм.
Корпус виготовлений з анодованого алюмінію - анодування створює щільний оксидний шар поверхні алюмінію, який захищає конектор від корозії. Анодований шар значно твердіший за необроблений алюміній, що підвищує стійкість до механічних пошкоджень, має малу вагу та добре відводить температуру.
Матеріал контактів – латунь з позолотою, ще більше зменшує опір, забезпечуючи стабільний сигнал і мінімальні втрати, позолочений шар захищає латунь від окислення, що подовжує термін служби контактів.
Cпеціально розроблені для використання в умовах підвищеної вологості, запиленості та вібрацій. Завдяки високому ступеню захисту від впливу навколишнього середовища IP67, ці з’єднувачі ідеально підходять для зовнішнього застосування та роботи в складних промислових середовищах.
Байонетний механізм фіксації – для з’єднання між собою, дозволяє за пару секунд підключати та відключати з’єднувачі.
Захист від випадкового роз'єднання – механізм фіксується обертанням і забезпечує стабільне кріплення навіть у умовах вібрацій.
Відповідна частина до панельної вилки - кабельна розетка SA1610/S2
Варіанти конектора можуть бути для різного діаметра кабелю. Наприклад - Ø 5-8мм, або Ø 8-12мм. Наявність роз'ємів на складі уточнюйте у менеджера.
| Характеристики роз'єма SA16 | |||||||||||||||
| Кількість контактів | 2 | 3 | 4 | 2B | 3B | 4B | 5 | 7 | 9 | 10 | |||||
| Діаметр контактів, мм | 1.5 | 1.5 | 1 | 2 | 2 | 2 | 1 | 1 | 1 | 1 | |||||
| Номінальний струм | 10 | 10 | 5 | 15 | 15 | 15 | 5 | 5 | 5 | 5 | |||||
| Робоча напруга | 500 | 400 | |||||||||||||
| Імпульсна напруга | 1500 | 1200 | |||||||||||||
| Опір контактів | 2.5 mΩ | 2.5 mΩ | 5 mΩ | 2.5 mΩ | 2.5 mΩ | 2.5 mΩ | 5 mΩ | 5 mΩ | 5 mΩ | 5 mΩ | |||||
| Опір ізоляції | 2000 mΩ | ||||||||||||||
| Специфікація кабелю (мм/AWG) | ≤ 2/14 | ≤ 2/14 | ≤ 0.75/18 | ≤ 2/14 | ≤ 2/14 | ≤ 2/14 | ≤ 0.75/18 | ≤ 0.75/18 | ≤ 0.75/18 | ≤ 0.75/18 | |||||
| Температура роботи | -40℃ ~ +85℃ | ||||||||||||||
| Вібрація | Частота: 5-200Гц, амплітуда - 5мм, швидкість 10 м/с | ||||||||||||||
| Рівень вогнестійкості | UL94-V0 | ||||||||||||||
| Ступінь захисту | IP67 | ||||||||||||||
| Схема та розмір роз'єму SA16-13 |
|










