Вартість товару зазначена на сайті вказана на товар, що є по наявності. Вартість товару під замовлення може відрізнятися від ціни на сайті. Кінцева ціна на продукцію залежить від кількості, термінів поставки, форми оплати.
Вентилятор NMB-MAT 3108NL-04W-B50 - вентилятор постійного струму DC Axial Fan з розміром 80х80х15 мм, напругою 12 VDC
Захист двигуна: автоматичний перезапуск / захист від полярності. Опір ізоляції: 10 МОм або більше при напрузі 500 В постійного струмуМатеріал:
Корпус: пластик (чорний) UL94V-0
Крильчатка: пластик (чорний) UL94V-0
Підвідний провід: UL1007, AWG24, + червоний,-чорний
Характеристики вентилятора NMB-MAT 3108NL-04W c різними модифікаціями:
| Модель | NMB-MAT 3108NL-04W-B10 | NMB-MAT 3108NL-04W-B20 | NMB-MAT 3108NL-04W-B30 | NMB-MAT 3108NL-04W-B40 | NMB-MAT 3108NL-04W-B50 |
| Висота х Ширина х Глибина |
80х80х15 | 80х80х15 | 80х80х15 | 80х80х15 | 80х80х15 |
| Вага | 0,085 кг | 0,085 кг | 0,085 кг | 0,085 кг | 0,085 кг |
| Потужність | 1.08 Вт | 1.32 Вт | 1.68 Вт | 2.4 Вт | 3.36 Вт |
| Робоча напруга | 12 VDC | 12 VDC | 12 VDC | 12 VDC | 12 VDC |
| Струм | 0,09 А | 0,11 А | 0,14 А | 0,20 А | 0,28 А |
| Кількість обертів | 2350 об/хв | 2600 об/хв | 2950 об/хв | 3350 об/хв | 3750 об/хв |
| Продуктивність | 0.75 м3/мин (26.5 CFM) | 0.84 м3/мин (29.6 CFM) | 0.98 м3/мин (34.6 CFM) | 1.15 м3/мин (40.6 CFM) | 1.25 м3/мин (44.0 CFM) |
| Виводи | провід | провід |
провід |
провід |
провід |
| Рівень шуму | 26 дБ | 29 дБ | 32.5 дБ | 38.5 дБ | 42 дБ |
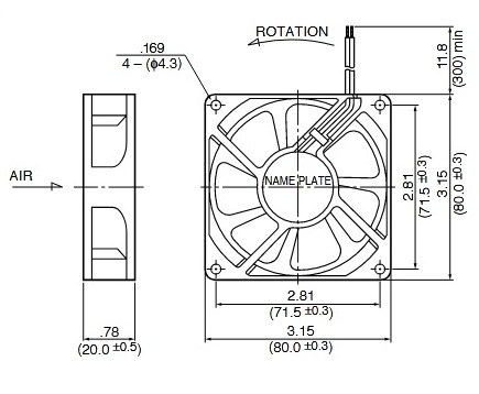
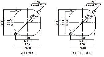
Розмiри вентилятора NMB-MAT 3108NL-04W
Креслення вентилятора |
Установчі розміри |





