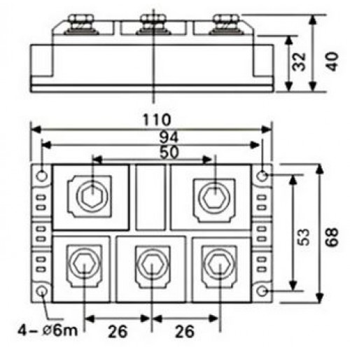
Діодні мости MDS400 – трьох фазні двухполуперіодні перетворювачі змінного струму в пульсуючий (шестідіодная "зірка Ларіонова") в ланцюгах з навантаженням 400А і зворотною напругою до 2500В.
На вхід схеми (позначається як "Input" або тильдой "~") подається змінний струм. У представлених діодних мостах задіяні шість робочих напівперіодів і в кожен з напівперіодів вхідний струм проходить тільки через два діода. В результаті, на виході (позначається як "DC Output" або значками "+" і "-") отримуємо струм, пульсуючий з частотою в шість разів більше, ніж частота вхідного.
Для згладжування отриманого пульсуючого струму використовують фільтр, найчастіше це конденсатор великої ємності.
Діодні мости MDS400 відрізняються високою імпульсною перевантажувальною здатністю і досить низьким прямим падінням напруги (від 1,47В до 1,55В).
Матеріал корпусу перетворювача - негорючий термополімер. Робоча частота - до 50Гц. Кріпляться діодні мости MDS400 (вірніше сказати, діодні збірки) за допомогою гвинтів через наскрізні отвори в корпусі. Кріплення проводів - затискними нікельованими клемами.
Для кріплення додаткового охолодження (радіатори, охолоджувачі) в корпусі діодних мостів передбачені кріпильні отвори. Між мостом і охолоджувальним елементом необхідно використовувати спеціальну теплопровідну підкладку, змащену термопастой.
Підвищена робоча температура середовища становить не більше + 125 ° С, знижена робоча температура - не нижче -40 ° С.
Застосовуються діодні мости MDS400 в різних силових установках - блоках живлення і управління, регуляторах потужності, перетворювачах, пристроях запуску електродвигунів.
Ви можете замовити - MDS400A 800V, MDS400A 1000V, MDS400A 1200V, MDS400A 1400V, MDS400A 1600V, MDS400A 1800V, MDS400A 2000V, MDS400A 2400V, MDS400A 2500V
