Герметичний термозахисний автомат (автоматичний запобіжник) K-16 Series 120A - це пристрій захисту електричних ланцюгів від перевантаження та короткого замикання. Запобіжник автоматично вимикає живлення при перевищенні допустимого струму, запобігаючи пошкодженню обладнання та проводки.
Після спрацювання можна відновити живлення вручну за допомогою кнопки скидання. Герметичне виконання забезпечує стійкість до вологи та пилу, що дозволяє використовувати пристрій в автомобільній, морській та промисловій техніці.
Запобіжник розрахований на струм 120A та робочу напругу до 48V DC (постійного струму) або 250V AC (змінного струму), що робить його універсальним рішенням для захисту різних електричних систем.
Пристрій зручно монтується на панель і відрізняється високою надійністю та тривалим терміном служби.
| Характеристики K-16 Series 120A | |
| Тип |
автоматичний запобіжник |
| Серія | K-16 Series |
| Номінальний струм | 120A |
| Напруга | до 48V DC / 250V AC |
| Тип скидання | ручний (manual reset) |
| Виконання | водонепроникний IP67 |
| Монтаж |
панельний |
| Призначення |
захист електричних ланцюгів від перевантаження та короткого замикання |
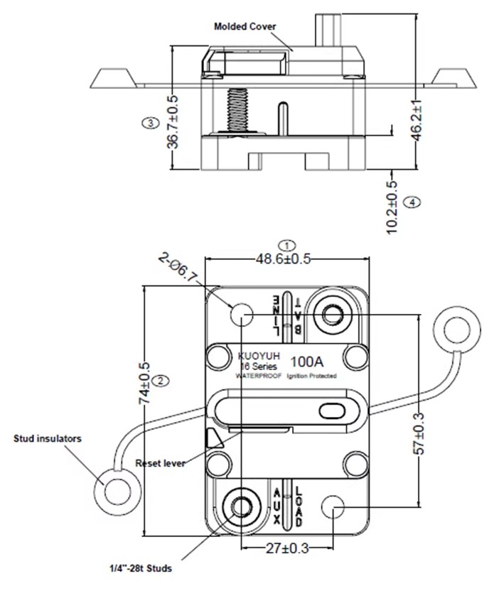
| Розміри KUOYUH 16 Series 120A | ||
![]() |

