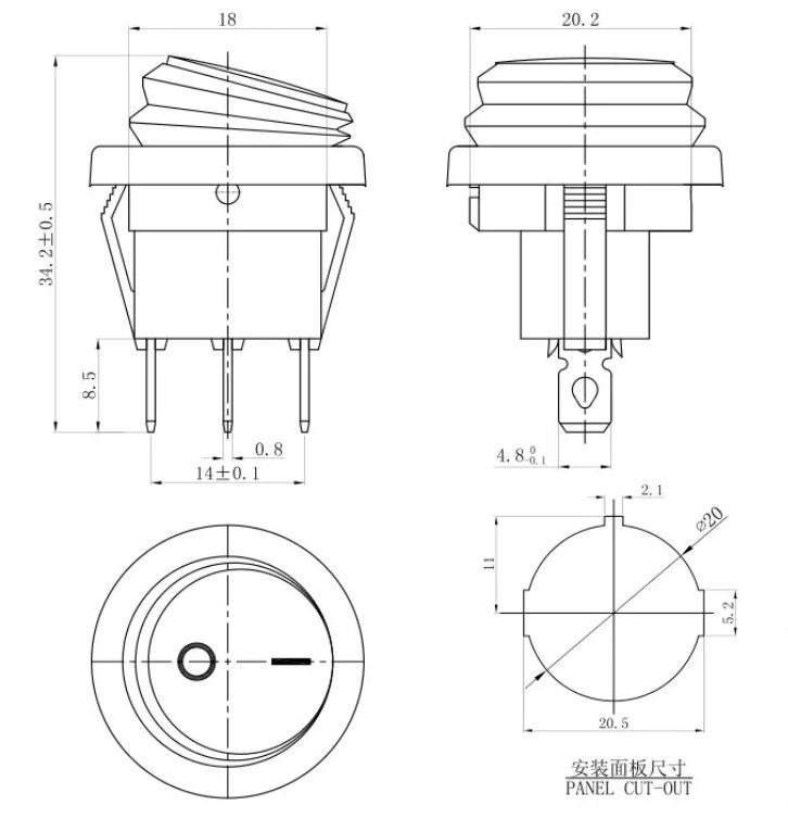
Перемикач клавішний KCD1-8-101NW компактний водозахищений перемикач на 12V і 20A із підсвіткою та ступенем захисту IP65. Виготовлений із міцного нейлону 66, стійкий до пилу, вологи та вібрацій, підходить для використання в автомобільній, морській та промисловій техніці. Працює за схемою SPST (3 контакти) та витримує навантаження до 20А. Оснащений LED-підсвіткою та маркуванням “O/I” для зручної індикації. Має стандартний монтаж у отвір 20 мм із фіксацією snap-in, що забезпечує швидке встановлення.
Характеристики:
Корпус та кнопка: нейлон 66
Клема: латунь з срібним покриттям
Номінальний струм: 10A 125VAC/6A 250VAC
Навантаження: 220VAC/12V/24V, режим роботи перемикача: SPST, ON-OFF
Ступінь водонепроникності: IP65
Робоча температура: -25℃~+85℃
Опір ізоляції: 100 мОм (500VDC)
Електричний термін служби: ≥ 10 000 циклів
Електрична міцність: 1500VAC, 1 хвилина
Механічний термін служби: ≥ 100 000 циклів
Сертифікація: CE, CQC, SGS, OEM
![]() |





