Вартість товару зазначена на сайті вказана на товар, що є по наявності. Вартість товару під замовлення може відрізнятися від ціни на сайті. Кінцева ціна на продукцію залежить від кількості, термінів поставки, форми оплати.
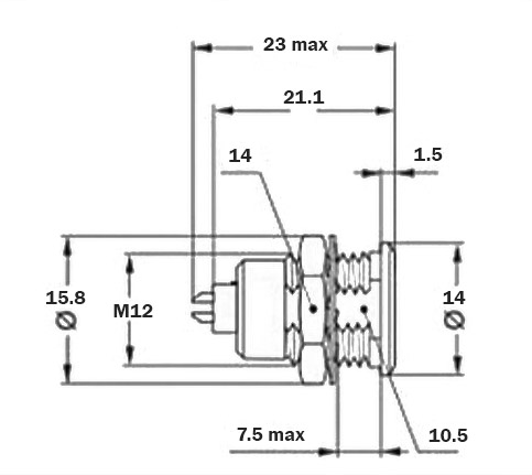
Роз'єм STA EGG-00B1B M12 16 - 16 контактний роз'єм, схожий на роз'єми типу LEMO або аналогічні байонетні роз'єми з фіксуючою муфтою. Такі роз'єми використовуються у промисловій, медичній, авіаційній та військовій електроніці для надійного з'єднання кабелів. Вони забезпечують високу щільність контактів та захист від перешкод.
Відповідна частина до EGG - FGG
| Схема і розмір EGG-00B1B M12 |
|
Рекомендовані товари








