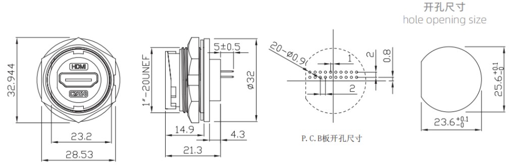
Герметичний роз'єм HDMI E16B - F H8 - PPF - прохідний з'єднувач HDMI в герметичному панельному виконанні ручного з'єднання. З вихідними кнтактами під друковану плату. Підтримує передачу відео з роздільною здатністю до 8K, зберігаючи стабільність сигналу навіть у складних умовах експлуатації.
Панельний конектор кріпиться до приладової частини гайкою попереду. Може комплектуватися водопилозахистною кришкою.
Матеріал корпусу – термопластик PA66, клас горючості – V-0
Клас захисту - IP67
Номінальна напруга - 5 В
Номінальний струм – 50 мА
Контактний опір – 30 MΩ
Опір ізоляції - ≥100 MΩ при 500 В DC
Температура роботи - "-" 40 ... "+" 105 C
Кількість з'єднань - ≥10000
З'єднання - байонетне
| Схема роз'єму E16B - F H8 - PPF |
|



