Панельна вилка E10B-P10-PPF - водонепроникний пластиковий конектор на 10 контактів з байонетним з'єднанням, гайкою спереду. З'єднує ланцюг до 2А і напругою до 30В. Контакти конектора вироблені з міді і покриті золотом - золото має низький опір, що покращує передачу сигналів і зменшує нагрівання в точках контакту, забезпечує стабільний електричний контакт, знижуючи ризик втрати сигналу через окиси чи забруднення.
Кріплення дротів кабелю до контактів - плата під пайку.
Максимальний діаметр кабелю для герметичного коннектора - 4 ~ 8.0 мм.
Корпус виготовлений з міцного інженерного пластику PA66, який захищений від ультрафіолету, тиску, температури, бруду і води.
Конектори E10 призначені для різних промислових та автомобільних застосувань. Ці роз'єми забезпечують надійне з'єднання в умовах підвищеної вологості та забруднень завдяки ступеню захисту IP67/IP68.
Відповідна частина до E10B-P10-PPF:
Кабельна розетка на кабелі E10B-S10-PWA-06
Кабельна розетка E10B-S10-MWA-1PV
Углова кабельна розетка E10B-S10-MWD-1PV
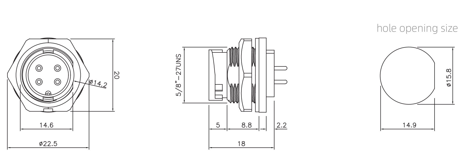
Характеристики роз'єму E10 Кількість контактів 2B 3B 4B 2C 3C 4C 2 3 Номінальна напруга 300 V 300 V 300 V 125 V 125 V 125 V 60 V 60 V Струм 10 А 10 А 10 А 10 А 10 А 10 А 5 А 5 А Калібр дроту 0.823 мм² (18 AWG) 0.519 мм² (20 AWG) Діаметр кабелю 4 ~ 8.0 мм Матеріал корпусу PA66, ступінь вогнестійкості: V-0 Матеріал контактів мідь із позолоченим покриттям Опір ізоляції 2000 мОм Рівень захисту IP67/IP68 Робоча температура -45°С +105° Кількість контактів 4 5 6 7 8 10 12 Номінальна напруга 60 V 60 V 60 V 60 V 60 V 30 V 30 V Струм 5 А 5 А 5 А 5 А 5 А 2 А 2 А Калібр дроту 0.519 мм² (20 AWG) 0.34 мм² (22 AWG) Діаметр кабелю 4 ~ 8.0 мм Матеріал корпусу PA66, ступінь вогнестійкості: V-0 Матеріал контактів мідь із позолоченим покриттям Опір ізоляції 2000 мОм Рівень захисту IP67/IP68 Робоча температура -45 ° С +105°С Схема роз'єму E10B-P10-PPF
Схема контактів серії E10







