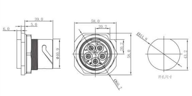
Герметичний розʼєм M40 67-100453-01 - це 4 контактна панельна вилка, з контактами під обжим, розрахована на роботу з номінальним струмом до 120А та робочою напругою до 600В.
Розʼєм забезпечує надійне електричне з’єднання та високий рівень захисту від пилу, вологи, бруду й агресивного середовища IP67 для стабільної та безпечної роботи в умовах підвищених механічних, вібраційних і кліматичних навантажень.
Байонетний механізм дозволяє швидко підключати й відключати розʼєм без втрати надійності контакту, а міцний корпус стійкий до ударів, температурних коливань та корозії. Конструкція розʼєму розрахована на тривалий термін експлуатації навіть у складних умовах.
Відповідна частина до панельної вилки - кабельна вилка 67-200413-01
| Характеристики роз'ємів M40 | ||||||||||
| Кількість контактів | 2 | 3 | 4 | 5 | ||||||
| Діаметр контактів, мм | 8 | 6 | 3.6 | |||||||
| Струм/Напруга | 150А/600V | 120А/600V | 50А/300V | |||||||
| Тестова напруга | 5000V | 3000V | 2000V | |||||||
| Площа перерізу жили | 4-35мм (10-2AWG) | 4-25мм (10-3AWG) | 1-6мм (18-9AWG) | |||||||
| Діаметр кабелю | мах ф25мм | |||||||||
| Ступінь захисту | IP67 | |||||||||
| Витримуюча температура | -40 +105 ℃ | |||||||||
| З'єднання | Байонетне | |||||||||
| Матеріал корпусу | Інженерний пластик вищої категорії | |||||||||
| Матеріал контактів | Мідний сплав | |||||||||
| Сертифікат вогнестійкості | UL94-V0 | |||||||||
| Схема та розмір |
|
