Корпусні деталі виготовлені з алюмінієвого сплаву АЛ-11. Матеріалом ізоляторів служить прессматериала карболіт АГ-4. Штирі контактів вилки 2РМ - циліндричні, матеріал латунь ЛС59-1. Вид покриття контактів - срібло. Метод монтажу навісний (об'ємний). Зчленування з'єднувача - різьбове, поляризація корпусу одношпоночная. Зчленування приладових і кабельних частин проводиться різьбовій гайкою на кабельної частини з'єднувача. Кабельні частини роз'ємів між собою не сполучаються, також, як і приладові. Хвостовик контакту вилки повинен допускати приєднання провідників перерізом не більше 0,5 мм 2. Максимальна допустима кількість перепайок - максимум 3.
Можливі невеликі розбіжності букв в кінці маркування, нанесеної на з'єднувачі. Це пов'язано з уніфікацією виробництва роз'ємів: деякі деталі корпусів роз'ємів можуть переставлятися з однієї частини на іншу. При застосуванні, монтажі та експлуатації з'єднувачів слід спиратися на норми і вимоги, зазначені в таких технічних стандартах: ОСТ В 11 0121-91 або ГЕ0.364.126ТУ.
Можлива поставка повного аналога роз'єму 2РМ14БПН4Ш1В1 вилка кабельна.
Детальні характеристики, розшифровка позначень маркування, габаритні розміри і контактна схема вилки кабельної 2РМ14БПН4Ш1В1 дивіться нижче.
Характеристики роз'єму 2РМ14БПН4Ш1В1:
| Тип з'єднувача |
2РМ | |
| Кількість контактів |
4 | |
| Робоча напруга, не більше | 560 В | |
| Максимальний струмовий навантаження на одиночний контакт, не більше |
8 А | |
| Діаметр контакту, мм |
1,0 | |
| Перетин під'єднувального дрота, не більше |
0,50 мм2 | |
| Опір контакту, не більше |
0,005 Ом | |
| Опір ізоляції в нормальних кліматичних умовах, не менш |
5000 МОм | |
| Синусоїдальна вібрація |
діапазон частот | 1...5000 Гц |
| прискорення | 490 м/с2 | |
| Прискорення механічного удару |
одиночного дії | 5000 м/с2 |
| багаторазового дії | 1000 м/с2 | |
| Лінійне прискорення |
2000 м/с2 | |
| Мінімальне напрацювання |
1000 г | |
| Кількість з'єднань |
500 | |
| Мінімальний термін зберігання |
15 років | |
| Температура навколишнього середовища |
от -60° С до +100° С | |
| Зміна температур з урахуванням температури перегріву контактів |
от -60° С до +180° С | |
| Атмосферний знижений тиск робочий |
133,32·10-12Па (10-12 мм рт. ст.) | |
Розшифровка позначень маркування 2РМ14БПН4Ш1В1:
| 2РМ | 1 | 4 | Б | П | Н | 4 | Ш | 1 | В | 1 |
2РМ (2РМТ, 2РМД, 2РМДТ) - Тип з'єднувача
14 - Умовний розмір корпусу
Б(К) - Вид корпусу: Б-приборний, К-кабельний
У(П) - Вид патрубка: У-кутовий, П-прямої. Відсутність букви - відсутність патрубка
Э(Н) - Вид гайки патрубка: Э -для екранованого кабелю, Н - для неекранованого кабелю. Відсутність букви - відсутність патрубка
4 - Кількість контактів
Г(Ш) - Частина з'єднувача: Г-розетка, Ш-вилка
1 - позначення поєднання контактів:
1 - всі контакти Ø 1,0мм
2 - контакти Ø 1,0мм и 1,5мм
3 - контакти Ø 2,0мм и 3,0мм
4 - контакти Ø 1,0мм и 3,0мм
5 - всі контакти Ø 1,5мм
6 - контакти Ø 1,5мм и 3,0мм
7 - контакти Ø 1,5мм, Ø 2,0мм и 3,0мм
8 - контакти Ø 1,5мм и 2,0мм
9 - всі контакти Ø 3,0мм
В(А, П) - Покриття контактів: В-срібло, А-золото, П-паладій
1(2) - Теплостійкість: 1 - 100°С; 2 - 200°С
Л - Ліва розетка (тільки для прохідних вилок)
Б - Корпус блоковий (приладовий) без лівої різьби.
В - Усекліматичне виконання
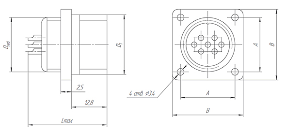
Габаритні і установочні розміри 2РМ14БПН4Ш1В1
| Умовний розмір, з'єднувача |
Розміри, мм | ||||||
| А | B | Dлев | D1 | Lmax | |||
| 14 | 17 | 24 | М14×1 | М16×1 | 25 | ||

Габаритні і установочні розміри прямого патрубка 2РМ14БПН4Ш1В1:
| Умовний розмір, з'єднувача |
Розміри, мм | ||||||
| lmax | Dлев | D | Lmax | Маса патрубка, г, не більш |
|||
| 14 | 34 |
М14×1 |
6,5 |
53,5 |
12,5 |
||
Схема розташування контактів і параметри 2РМ14БПН4Ш1В1:
Серія роз'єму |
Схема розташування, нумерація і позначення контактів |
Діаметр контактів |
Кількість контактів |
Номер поєднання контактів |
Макс. струмове навантаження |
|||
| всього | даного діаметру |
на контакт |
загальний на з'єднувач |
|||||
| 2РМ14 | ![]() |
![]() |
1,0 | 4 | 4 | 1 | 8 А | 27 А |
Особливості конструкції роз'ємів 2РМ:
Роз'єми серії 2РМ (негерметичні) складаються з вилки 1 з контактними штирями і розетки 2 з контактними гніздами. Обидві частини роз'єму бувають кабельного і блочного (приладового) виконання.

Штир роз'єму 2РМ.

Інструмент для вставляння і вилучення контактів.
Рекомендації щодо забезпечення надійності, безпеки і терміну служби роз'ємів
Для забезпечення надійності, безпеки і довговічності роз'ємів, рекомендується дотримуватися режими і умови експлуатації (зберігання), дотримуватися культури обслуговування виробів (правильності дії персоналу, що обслуговує обладнання). Також важливо недопущення впливу зовнішніх факторів і будь-яких відхилень від норм, не передбачених правилами експлуатації з'єднувачів.
Причини відмов і поломок роз'ємів:
- докладання надмірних зусиль при розчленуванні і зчленуванні контактів, що може привести до механічних поломок і передчасного механічного зносу;
- вплив температури, вібраційних і ударних навантажень, робочих струмів і напруг;
- фізико-хімічні властивості матеріалів, застосованих в конструкції роз'ємів;
- наявність прихованих дефектів.
Фактори, що збільшують термін служби:
- оптимальний розподіл силових ланцюгів в роз'ємі (сільноточние ланцюга доцільно розподіляти по периферії роз'єму);
- застосування теплоотводов; полегшення режимів і умов експлуатації по відношенню до максимально допустимим режимам і умовами, що вказані в ТУ;
- заливка монтажного простору роз'єму компаундами;
- точне дотримання інструкцій по монтажу та експлуатації.












